久々に、真空管イコライザー・アンプを製作いたしました。
  
  我家の3階の息子の部屋が空いたので、オーデイオルーム?にしましたが、納戸の古いレコードプレ-ヤーとレコードを思い出し、聴いてみたくなり製作いたしました。
  
  真空管メインアンプは製作していましたので、折角ならイコライザーアンプも真空管でと思い、ぺるけ師匠の「プリアンプを作ろう!」http://www2.famille.ne.jp/~teddy/pre/pre3a.htmかずさんの
  
  「真空管プリアンプ」http://fugaku.fc2web.com/sub437.htmlLOBSさんのRIAA CR型イコライザーの計算http://www.minor-audio.com/bibou/LP/CR-EQ.htmlかつさんの「CR-EQUALISERの設計」
  
  http://www.gem.hi-ho.ne.jp/katsu-san/audio/equaliser/RIAA.htm。を参考にさせて頂きました。
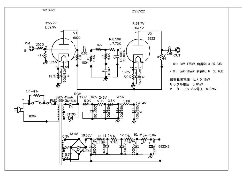
2008.1.5 「アース配線」を検討し直し、 残留雑音電圧をやっと、左右共に0.16mVまで追込みました。






2008.1.7 A特性フィルターを使用してノイズの測定をすると、0.03mVになっています。フルボリューム時のハムも随分小さくなりました。
  
  2008.1.8 EQアンプの入力をショートでメインアンプに繋ぐとハム音はフルボリュームでもほとんど感じません。レコードプレ-ヤーがハム音の原因のようです。
電源トランスの金属部分をアースする事によりハムは減少いたしました。通常の音楽を楽しむ出力に対して、ほぼハムは聞こえなくなりました。
2008.1.9 田舎にあった、45年前の「ステレオ・ハイファイ製作読本」(誠文堂新光社)の中に「レコード・プレーヤーのハム退治」と言う記事を見つけました。
  
その中の記事を参考にしますと、私のプレーヤーはコンポの一部だったものを単独で使用しているため、アース回線が不足しているのかもしれません。

2008.01.24
2008.1.24 レコード・プレーヤーのアース線がカートリッジからの出力のマイナス側とアーム及びスイッチ類のアース線とシールド線で共通になっていたのを分離,増線し、
  
歪率特性です。残留雑音電圧をL.Rともに0.16mVまで減少させました。
2008.1.26 EQアンプもほぼ完成だなと、レコード(約50年前のレコードから昨年末に新盤プレスされたレコードまで、クラシックから歌謡曲まで。)を楽しんでいましたが、
        フト,差動EQアンプにして、製作済みの差動アンプを入力部分も平衡に改造したら、よりハム対策と音質向上になるのではと、思い付き、早速ぺるけ師匠のホームページを参考にと
         その中に「平衡Project」がございました。http://www.op316.com/tubes/balanced/start.htm 私も試行して楽しみたいと思っています。
」
  
回路図 2008.1.5
2013.1.13